US Fab
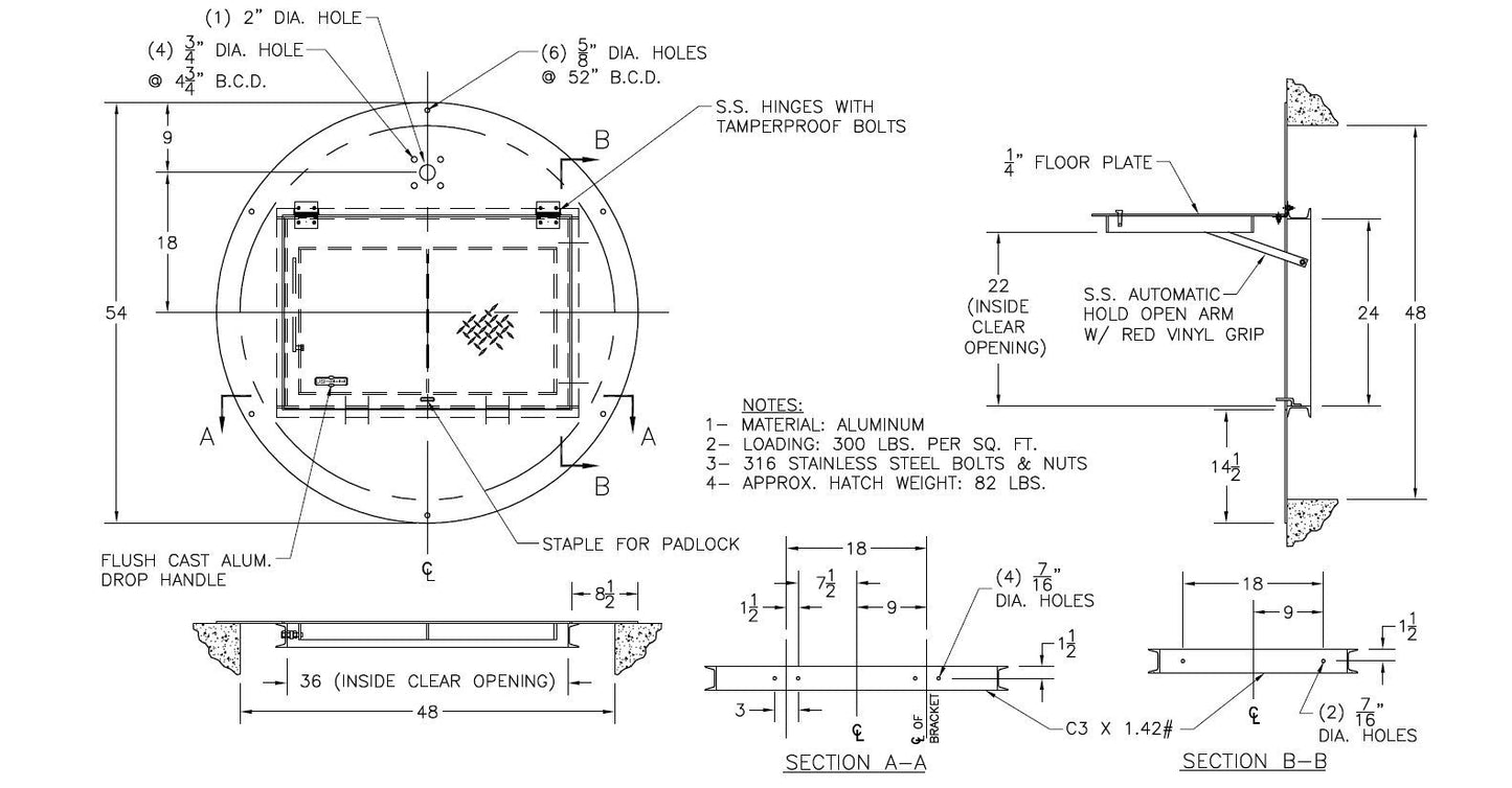
54" Round Cover w/ 24x36 Hatch For 48" Basin Round Hatch
54" Round Cover w/ 24x36 Hatch For 48" Basin Round Hatch
Couldn't load pickup availability
Stock Item- Ships in 1-3 Days Via Freight Carrier
54" HATCH FOR 48" BASIN
Cover Plate: 1/4-inch (6.4mm) aluminum diamond plate cover reinforced for 300 psf (1465 kg/m2) live load with six 5/8-inch (16mm) diameter holes equally spaced around perimeter for bolting to the existing structure.
Integral Door:1/4-inch (6.4mm) aluminum diamond plate cover reinforced for 300 psf (1462 kg/m2) live load. Equipped with cast aluminum flush lifting handle and 316 stainless steel hold-open arm with red vinyl grip that automatically keeps the cover in its open/upright position.
Hardware: 316 stainless steel hinges and tamper resistant bolts/lock nuts.
Security: Aluminum staple protrudes through door cover for user supplied padlock.
Finish: Cover and integral door are mill finish aluminum.
Installation: Installation shall be in accordance with the manufacturer’s instructions.
Shipping & Returns
Shipping & Returns
Set UPS.
Stock items ship same day!
Share


